Rot13: Svfure–Farqrpbe qvfgevohgvba
Strilanc
Why would you assume that? That’s like saying by the time we can manufacture a better engine we’ll be able to replace a running one with the new design.
For example, evolution has optimized and delivered a mechanism for turning gene edits in a fertilized egg into a developed brain. It has not done the same for incorporating after-the-fact edits into an existing brain. So in the adult case we have to do an extra giga-evolve-years of optimization before it works.
Could you convert the tables into graphs, please? It’s much harder to see trends in lists of numbers.
Another possible hypothesis could be satiation. When I first read wikipedia, it dragged me into hours long recursive article reading. Over time I’ve read more and more of the articles I find interesting, so any given article links to fewer unread interesting articles. Wikipedia has essentially developed a herd immunity against me. Maybe that pattern holds over the population, with the dwindling infectiousness overcoming new readers?
On second thought, I’m not sure that works at all. I guess you could check the historical probability of following to another article.
“reality is a projection of our minds and magic is ways to concentrate and focus the mind” is too non-reductionist of an explanation. It moves the mystery inside another mystery, instead of actually explaining it.
For example: in this universe minds seem to be made out of brains. But if reality is just a projection of minds, then… brains are made out of minds? So minds are made out of minds? So where does the process hit bottom? Or are we saying existence is just a fractal of minds made out of minds made out of minds all the way down?
Hm, my take-away from the end of the chapter was a sad feeling that Quirrel simply failed at or lied about getting both houses to win.
The 2014 LW survey results mentioned something about being consistent with a finger-length/feminism connection. Maybe that counts?
Some diseases impact both reasoning and appearance. Gender impacts both appearance and behavior. You clearly get some information from appearance, but it’s going to be noisy and less useful than what you’d get by just asking a few questions.
There’s a radiolab episode about blame that glances this subject. They talk about, for example, people with brain damage not being blamed for their crimes (because they “didn’t have a choice”). They also have a guest trying to explain why legal punishment should be based on modelling probabilities of recidivism. One of the hosts usually plays (is?) the “there is cosmic blame/justice/choice” position you’re describing.
Well, yeah. The particular case I had in mind was exploiting partial+ordered transfiguration to lobotomize/brain-acid the death eaters, and I grant that that has practical problems.
But I found myself thinking about using patronus and other complicated things to take down LV after, instead of exploiting weak spells being made effective by the resonance. So I put the idea out there.
If I may quote from my post:
Assuming you can take down the death eaters, I think the correct follow-up
and:
LV is way up high, too far away to have good accuracy with a hand gun.
I made my suggestion.
Assuming you can take down the death eaters, I think the correct follow-up for despawning LV is… massed somnium.
We’ve seen somnium be effective at range in the past, taking down an actively dodging broomstick rider at range. We’ve seen the resonance hit LV harder than Harry, requiring tens of minutes to recover versus seconds.
LV is not wearing medieval armor to block the somnium. LV is way up high, too far away to have good accuracy with a hand gun.If LV dodges behind something, Harry has time to expecto patronum a message out.
… I think the main risk is LV apparating away, apparating back directly behind harry, and pulling the trigger.
Dumbledore is a side character. He needed to be got rid of, so neither Harry nor the reader would expect or hope for Dumbledore to show up at the last minute and save the day
There’s technically six more hours of story time for a time-turned Dumbledore to show up, before going on to get trapped. He does mention that he’s in two places during the mirror scene.
Dumbledore has previously stated that trying to fake situations goes terribly wrong, so there could be some interesting play with that concept and him being trapped by the mirror.
Sorry for getting that one wrong (I can only say that it’s an unfortunately confusing name).
Your claim is that AGI programs have large min-length-plus-log-of-running-time complexity.
I think you need more justification for this being a useful analogy for how AGI is hard. Clarifications, to avoid mixing notions of problems getting harder as they get longer for any program with notions of single programs taking a lot of space to specify, would also be good.
Unless we’re dealing with things like the Ackermann function or Ramsey numbers, the log-of-running-time component of KL complexity is going to be negligible compared to the space component.
Even in the case of search problems, this holds. Sure it takes 2^100 years to solve a huge 3-SAT problem, but that contribution of ~160 time-bits pales in comparison to the several kilobytes of space-bits you needed when encoding the input into the program.
Or suppose we’re looking at the complexity of programs that find an AGI program. Presumably high, right? Except that the finder can bypass the time cost by pushing the search into the returned AGI’s bootstrap code. Basically, you replace “run this” with “return this” at the start of the program and suddenly AGI-finding’s KL complexity is just its K complexity. (see also: the P=NP algorithm that brute force finds programs that work, and so only “works” if P=NP)
I think what I’m getting at is: just use length plus running time, without the free logarithm. That will correctly capture the difficulty of search, instead of making it negligible compared to specifying the input.
Plus, after you move to non-logarithmed time complexity, you can more appropriately appeal to things like the no free lunch theorem and NP-completeness as weak justification for expecting AGI to be hard.
Kolmogorov complexity is not (closely) related to NP completeness. Random sequences maximize Kolmogorov complexity but are trivial to produce. 3-SAT solvers have tiny Kolmogorov complexity despite their exponential worst case performance.
I also object to thinking of intelligence as “being NP-Complete”, unless you mean that incremental improvements in intelligence should take longer and longer (growing at a super-polynomial rate). When talking about achieving a fixed level of intelligence, complexity theory is a bad analogy. Kolmogorov complexity is also a bad analogy here because we want any solution, not the shortest solution.
I would say
cosis simpler thansinbecause its Taylor series has a factor of x knocked off.In practice they tend to show up together, though. Often you can replace the pair with something like
e^(i x), so maybe that should be considered the simplest.
Here’s another interesting example.
Suppose you’re going to observe Y in order to infer some parameter X. You know that
P(x=c | y) = 1/2^(c-y).You set your prior to P(x=c) = 1 for all c. Very improper.
You make an observation, y=1.
You update: P(x=c) = 1/2^(c-1)
You can now normalize P(x) so its area under the curve is 1.
You could have done that, regardless of what you observed y to be. Your posterior is guaranteed to be well formed.
You get well formed probabilities out of this process. It converges to the same result that Bayesianism does as more observations are made. The main constraint imposed is that the prior must “sufficiently disagree” in predictions about a coming observation, so that the area becomes finite in every case.
I think you can also get these improper priors by running the updating process backwards. Some posteriors are only accessible via improper priors.
I did notice that they were spending the whole time debating a definition, and that the article failed to get to any consequences.
I think that existing policies are written in terms of “broadband”, perhaps such as benefits to ISPs based on how many customers have access to broadband? That would make it a debate about conditions for subsidies, minimum service requirements, and the wording of advertising.
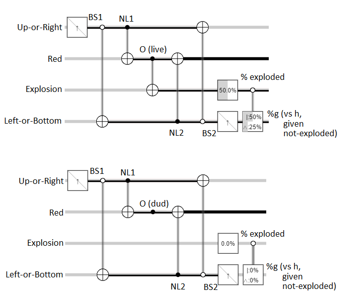
Hrm… reading the paper, it does look like NL1 goes from |a> to |cd> instead of |c> + |d>, This is going to move all the numbers around, but you’ll still find that it works as a bomb detector. The yellow coming out of the left non-interacting-with-bomb path only interferes with the yellow from the right-and-mid path when the bomb is a dud.
Just to be sure, I tried my hand at converting it into a logic circuit. Here’s what I get:
Having it create both the red and yellow photon, instead of either-or, seems to have improved its function as a bomb tester back up to the level of the naive bomb tester. Half of the live bombs will explode, a quarter will trigger g, and the other quarter will trigger h. None of the dud bombs will explode or trigger g; all of them trigger h. Anytime g triggers, you’ve found a live bomb without exploding it.
If you’re going to point out another minor flaw, please actually go through the analysis to show it stops working as a bomb tester. It’s frustrating for the workload to be so asymmetric, and hints at motivated stopping (and I suppose motivated continuing for me).
A live bomb triggers nothing when the photon takes the left leg (50% chance), gets converted into red instead of yellow (50% chance), and gets reflected out.
An exploded bomb triggers g or h because I assumed the photon kept going. That is to say, I modeled the bomb as a controlled-not gate with the photon passing by being the control. This has no effect on how well the bomb tester works, since we only care about the ratio of live-to-dud bombs for each outcome. You can collapse all the exploded-and-triggered cases into just “exploded” if you like.
Okay, I’ve gone through all the work of checking if this actually works as a bomb tester. What I found is that you can use the camera to remove more dud bombs than live bombs, but it does worse than the trivial bomb tester.
So I was wrong when I said you could use it as a drop-in replacement. You have to be aware that you’re getting less evidence per trial, and so the tradeoffs for doing another pass are higher (since you lose half of the good bombs with every pass with both the camera and the trivial bomb tester; better bomb testers can lose fewer bombs per pass). But it can be repurposed into a bomb tester.
I do still think that understanding the bomb tester is a stepping stone towards understanding the camera.
Anyways, on to the clunky analysis.
Here’s the (simpler version of the) interferometer diagram from the paper:
Here’s my interpretation of the state progression:
Start
|green on left-toward-BS1>Beam splitter is hit. s = sqrt(2)
|green on a>/s + i |green on left-downward-path>/snon-linear crystal 1 is hit, splits green into (red + yellow) / s
|red on a>/2 + |yellow on a>/2 + i |green on left-downward-path>/shit frequency-specific-mirror D1 and bottom-left mirror
i |red on d>/s^2 + |yellow on c>/s^2 - |green on b>/sinteraction with O, which is either a detector or nothing at all
i |red on d>|O yes>/s^2 + |yellow on c>|O no>/s^2 - |green on b>|O no>/shit frequency-specific-mirror D2, and top-right mirror
-|red on b>|O yes>/s^2 + i |yellow on right-toward-BS2>|O no>/s^2 - |green on b>|O no>/shit non-linear crystal 2, which acts like NL1 for green but also splits red into red-yellow. Not sure how this one is unitary… probably a green → [1, 1] while red → [1, −1] thing so that’s what I’ll do:
-|red on f>|O yes>/s^3 + |yellow on e>|O yes>/s^3 + i |yellow on right-toward-BS2>|O no>/s^2 - |red on f>|O no>/s^2 - |yellow on e>|O no>/s^2red is reflected away; call those “away” and stop caring about color:
|e>|O yes>/s^3 + i |right-toward-BS2>|O no>/2 - |e>|O no>/2 - |away>|O yes>/s^3 - |away>|O no>/s^2yellows go through the beam splitter, only interferes when O-ness agrees.
|h>|O yes>/s^4 + i|g>|O yes>/s^4 + i |g>|O no>/s^3 - |h>|O no>/s^3 - |h>|O no>/s^3 - i|g>|O no>/s^3 - |away>|O yes>/s^3 - |away>|O no>/s^2 |h>|O yes>/s^4 + i|g>|O yes>/s^4 - |h>|O no>/s - |away>|O yes>/s^3 - |away>|O no>/s^2 ~ 6% h yes, 6% g yes, 50% h no, 13% away yes, 25% away no
CONDITIONAL upon O not having been present, |O yes> is equal to |O no> and there’s more interference before going to percentages:
|h>/s^4 + i|g>/s^4 - |h>/s - |away>/s^3 - |away>/s^2 |h>(1/s^4-1/s) + i|g>/s^4 - |away>(1/s^2 + 1/s^3) ~ 21% h, 6% g, 73% awayIgnoring the fact that I probably made a half-dozen repairable sign errors, what happens if we use this as a bomb tester on 200 bombs where a hundred of them are live but we don’t know which? Approximately:
6 exploded bombs that triggered h
21 dud bombs that triggered h
50 live bombs that triggered h
6 exploded bombs that triggered g
6 dud bombs that triggered g
0 live bombs that triggered g
13 exploded bombs that triggered nothing
25 live bombs that triggered nothing
73 dud bombs that triggered nothing
So, of the bombs that triggered h but did not explode, 50⁄71 are live. Of the bombs that triggered g but did not explode, none are live. Of the bombs that triggered nothing but did not explode, 25⁄98 are live.
If we keep only the bombs that triggered h, we have raised our proportion of good unexploded bombs from 50% to 70%. In doing so, we lost half of the good bombs. We can repeat the test again to gain more evidence, and each time we’ll lose half the good bombs, but we’ll lose proportionally more of the dud bombs.
Therefore the camera works as a bomb tester.
I like this quote by Stephen Hawking from one of his answers: